找回密码
 注册会员

QQ登录

只需一步,快速开始

扫一扫,访问微社区

查看: 892|回复: 0

数控车床多重复合循环指令(G70~G76)

[复制链接]
发表于 2010-10-22 00:25:08 | 显示全部楼层 |阅读模式

马上注册,结交更多好友,享用更多功能,让你轻松玩转磨削论坛

您需要 登录 才可以下载或查看,没有账号?注册会员

×
运用这组G代码,可以加工形状较复杂的零件,编程时只须指定精加工路线和粗加工背吃刀量,系统会自动计算出粗加工路线和加工次数,因此编程效率更高。 5 f, N, q1 f! A( h9 T3 r( T+ u

1. 外圆粗加工复合循环(G71) ( g# p" W# C* e4 i% z, ~

指令格式  G71 UΔd  Re ; p* p* M& v* Z# Y

            G71 Pns Qnf UΔu WΔw Ff Ss Tt ) b/ n; X5 w! d) b K4 @

9 _8 F9 B$ V7 g. Q$ p

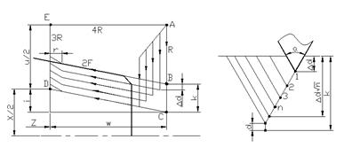
指令功能  切除棒料毛坯大部分加工余量,切削是沿平行Z轴方向进行,见图1,

8 D9 h9 K2 N% C$ I% `

: O: T* N* J9 }8 ]+ E

图1 外圆粗加工循环

# K q! Y8 z9 b5 k W: m# H

     A为循环起点,A-A'-B为精加工路线。 " r9 j1 _3 p$ _; L- f0 W

指令说明  Δd表示每次切削深度(半径值),无正负号; # J- @5 e3 Q9 ^" z; T

        e表示退刀量(半径值),无正负号; 4 }* T7 S- |- \0 I R2 x, l, {+ d

        ns表示精加工路线第一个程序段的顺序号; 6 j- Y3 j) K* b* b% P, `

        nf表示精加工路线最后一个程序段的顺序号; - t3 z: P. A0 F4 d7 _; n# q

       Δu表示X方向的精加工余量,直径值; / h/ L& U5 K W* s6 V' C

            Δw表示Z方向的精加工余量。 3 W% {1 ?2 ]. v! `7 C

$ m! U4 ?: k) F, g

使用循环指令编程,首先要确定换刀点、循环点A、切削始点A’和切削终点B的坐标位置。为节省数控机床的辅助工作时间,从换刀点至循环点A使用G00快速定位指令,循环点A的X坐标位于毛坯尺寸之外,Z坐标值与切削始点A’的Z坐标值相同。 ' A' z& y+ P0 S2 s% ?

其次,按照外圆粗加工循环的指令格式和加工工艺要求写出G71指令程序段,在循环指令中有两个地址符U,前一个表示背吃刀量,后一个表示X方向的精加工余量。在程序段中有P、Q地址符,则地址符U表示X方向的精加工余量,反之表示背吃刀量。背吃刀量无负值。 4 ]( {2 N- q- G+ d

A’→B是工件的轮廓线,A→A’→B为精加工路线,粗加工时刀具从A点后退Δu /2、Δw,即自动留出精加工余量。顺序号ns至nf之间的程序段描述刀具切削加工的路线。 + O1 h' _" i% b7 \

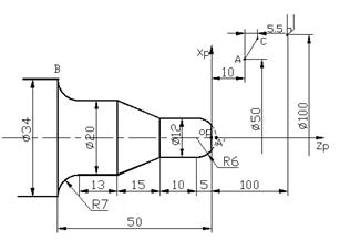
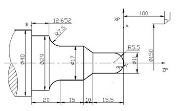
例题1 图2所示,运用外圆粗加工循环指令编程。 # s( \! l, D: X% W% K+ O/ I/ D) P

2 O! f# b- d1 X5 v1 A+ }$ w; C

7 T0 d4 x% t$ C' W; d/ t

图2 外圆粗加工循环应用

* w5 H5 p3 }4 \8 U1 o+ s

5 q6 ?' P0 w; C! s$ m

$ {2 f2 k/ x7 p. G) ] ]. @9 K

" L1 b- s" \; z

! z) W5 ^$ O3 k* w! C

6 o* h! h' k) j, c6 u! F4 ]7 X S

@" R$ J" W) H# b. \- v' Y

) [; L) I$ s% P" ^

8 {5 `+ @* C& u3 `" q4 D

0 j5 P/ k% x3 i8 M

/ }, F9 x" i/ X$ C

4 ^/ B; R" J/ i% ]$ s

N010 G50 X150 Z100 4 z: J$ f; t4 T7 o* U" r

N020 G00 X41 Z0 e+ f2 r6 d2 D3 N6 `. w& }, d( Q, \

N030 G71 U2 R1 * r9 `8 I* @+ q: D2 E

N040 G71 P50 Q120 U0.5 W0.2 F100  5 _' j0 u. \! k( f: E: S& @

N050 G01 X0 Z0 . d& b, I0 r$ m; t

N060 G03 X11 W-5.5 R5.5 % O' K$ H9 l4 z2 y9 n& f

N070 G01 W-10 ( ^- d3 a% g3 F) d/ J# i

N080 X17 W-10 % y7 v) \' R+ ` \* Z

N090 W-15 + n* g( l8 I8 \

N100 G02 X29 W-7.348 R7.5 3 c4 b0 `3 v" d, t

N110 G01 W-12.652 , H5 Z* {/ |9 |0 H

N120 X41 / }4 ^ V6 O6 T$ F4 ^' y

N130 G70 P50 Q120 F30 ) I3 q# @2 x- Q$ k" ^

2. 端面粗加工复合循环(G72) + `, c8 m9 u8 h- [5 A6 X

指令格式  G72 WΔd Re ( E* a; ^6 a! m# t

       G72 Pns Qnf UΔu WΔw Ff Ss Tt K! r$ r6 B1 W. w

指令功能  除切削是沿平行X轴方向进行外,该指令功能与G71相同,见图3。 . a+ _4 T! M. S6 m8 M: |

7 G3 v) @" M6 M9 d$ J8 e+ Z E: S

指令说明  Δd 、e、 ns 、nf、Δu、Δw的含义与G71相同。

) V- {3 d$ A9 M' f( E( P

( p' I2 k. n B( ?9 ~ d$ k* f

/ c5 s0 ?1 v$ c, a0 z* K0 T' m

图3 端面粗加工循环

0 q( B- L* C+ i

( V. p: m$ C0 ^9 ]

图4 端面粗加工循环应用

5 w4 C8 M% c R& d2 K

: F+ G( Y i5 J; l/ V I

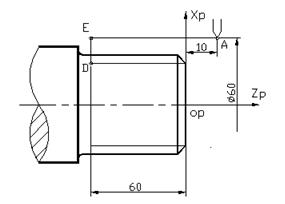
例题2 如图4所示,运用端面粗加工循环指令编程。    4 Y. @! Y8 _2 `

N010 G50 X150 Z100 : P/ W4 q9 |& \# o, t

N020 G00 X41 Z1 $ n+ F0 @1 ]. B% D+ g4 C) ~

N030 G72 W1 R1 4 n B+ F8 C% W/ {' F

N040 G72 P50 Q80 U0.1 W0.2 F100  ' G+ k, o; [; J/ f6 g/ j

N050 G00 X41 Z-31 6 \6 o* Z* E! ]% a5 H

N060 G01 X20 Z-20 5 J6 L1 ~" L- ?

N070 Z-2 * y" U% S+ M q6 ^6 i- y& R) q- Q

N080 X14 Z1 7 Y3 k& m4 |' ~6 E$ V# o8 c

N090 G70 P50 Q80 F30 9 L) t4 ]$ e# X# l

3. 固定形状切削复合循环(G73) + t6 N2 M( b7 `1 r. Q1 o% B/ u' g" u

指令格式  G73 UΔi WΔk Rd ' Z/ ]) s4 }+ B

       G73 Pns Qnf UΔu WΔw Ff Ss Tt 2 w' @- ~3 e+ j! X, a) E

7 N2 x, H2 Z3 e/ E. N2 L I7 K( k

指令功能  适合加工铸造、锻造成形的一类工件,见图5。

J4 H; J$ m( i b" ^

& j k! ^# ~+ G. K: a

图5 固定形状切削复合循环

/ d3 i! }- e, g, R" E' {8 R

指令说明  Δi表示X轴向总退刀量(半径值); # a! W8 M4 @$ ?* m, S

ΔK表示Z轴向总退刀量; + [8 _. G6 {, v( |+ P- F

d表示循环次数; 7 s" O3 W3 x0 ~3 R

ns表示精加工路线第一个程序段的顺序号; : P/ l6 @3 B4 R# m* v" A

nf表示精加工路线最后一个程序段的顺序号; ( B* l1 A3 _3 o) H' ~% A

Δu表示X方向的精加工余量(直径值); 8 Y" r4 ]7 A* x% M2 L

Δw表示Z方向的精加工余量。 8 ]+ p. O) u; y7 n. p0 p8 X) d

6 x4 B; K% i/ G

5 z& Y, H4 ^0 n, W: Z+ H+ b$ `

2 l, Q& I" h, ]$ f. W5 M

$ F& G4 ?+ U1 A2 l0 O! _6 `' c

9 H0 |2 P1 Q/ o+ [

, q; S+ o) }3 B/ P, n2 Q

% E2 [; e/ @* Y. x$ F8 n

% a$ w- ?& ~1 B4 t$ A& s$ z/ L

1 P! P( k" }9 R8 J; z" G

2 Z' l3 N8 i% r0 @6 a1 e

/ K y$ h0 u# g, N0 d/ k

. ]" ^/ a. l' g8 D6 H& P

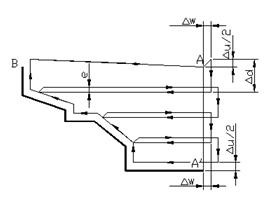
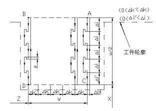
固定形状切削复合循环指令的特点,刀具轨迹平行于工件的轮廓,故适合加工铸造和锻造成形的坯料。背吃刀量分别通过X轴方向总退刀量Δi和Z轴方向总退刀量ΔK除以循环次数d求得。总退刀量Δi与ΔK值的设定与工件的切削深度有关。 ( J& m, @' ?5 [

使用固定形状切削复合循环指令,首先要确定换刀点、循环点A、切削始点A’和切削终点B的坐标位置。分析上道例题,A点为循环点,A’→B是工件的轮廓线,A→A’→B为刀具的精加工路线,粗加工时刀具从A点后退至C点,后退距离分别为Δi+Δu /2,Δk+Δw,这样粗加工循环之后自动留出精加工余量Δu /2、Δw。 8 Q" E4 V1 a+ `# o

7 K; L6 U8 y2 ~2 j; D& t$ W

顺序号ns至nf之间的程序段描述刀具切削加工的路线。

2 n4 K- f1 v B& T

# F T5 U3 O8 @2 p6 P8 \5 l

2 ^3 y( m' Y. k

h- d+ l/ C- G$ r" F

图6 固定形状切削复合循环应用

6 b+ F0 C5 u! a7 Z! o0 _

' A' x2 } t4 R' q0 O; t6 x9 `

7 i) j, N8 q8 k, G1 e

! w& g/ \/ O9 h" S+ k8 t

" u; l: [% C) @& K9 J; ~2 d4 m' d

' _4 k6 j8 i6 {6 ^4 p5 K9 j& O

# s. h+ w! \1 C7 w, ~. T

2 o1 |" a1 H0 J$ @7 T# O

2 M! A; g) r& O( T4 t& A

0 F" Y4 C2 e2 X/ s7 r

6 D* m. X S. e( b

' w9 g' I& ?; \" p/ {

4 r7 D; N9 ^9 m$ {( `9 ~% i+ k

例题3 如图6所示,运用固定形状切削复合循环指令编程。 / t! o" ~3 m- a( y# N

N010 G50 X100 Z100 0 Y6 A2 I+ {( e8 c% g4 h

N020 G00 X50 Z10 , O4 G1 w; ^) ?- t O8 |) e: o- Y

N030 G73 U18 W5 R10 , d* D# x. D0 c: t6 h

N040 G73 P50 Q100 U0.5 W0.5 F100  ( C" D; M L+ @

N050 G01 X0 Z1 1 f4 h5 v6 Q0 G* [& @

N060 G03 X12 W-6 R6 * @1 ]8 Z5 G5 p+ Z! S! g" o6 B

N070 G01 W-10 3 H; I. v. S. F" J1 F+ j3 ~

N080 X20 W-15 , N- h% X2 u: k

N090 W-13 / t. z% n$ U$ i1 n [/ R

N100 G02 X34 W-7 R7 8 o/ G( @8 [( J- b" h1 m

N110 G70 P50 Q100 F30 2 c2 [2 q) Y, I- C8 }

4. 精加工复合循环(G70) 2 V' C! D G4 ?6 N; T. G4 i

指令格式 G70 Pns Qnf  2 j$ `" J0 {- s3 K6 M. [9 J

指令功能 用G71、G72、G73指令粗加工完毕后,可用精加工循环指令,使刀具进行A-A'-B的精加工,(如图1,图3,图5)。 ; m8 U" f& L$ Y: g6 F! _8 y3 @

指令说明 ns表示指定精加工路线第一个程序段的顺序号; : |! P; ^9 z6 T

nf表示指定精加工路线最后一个程序段的顺序号;   0 o/ Z" O$ z, E8 `

G70~G73循环指令调用N(ns)至N(nf)之间程序段,其中程序段中不能调用子程序。 + Z/ C( g2 M6 V2 f _3 V$ j

5. 端面钻孔复合循环指令(G74) 0 u- }" M/ S7 ]* R3 w5 Y3 X* z

指令格式  G74  Re ( p1 g9 q/ H2 s1 C W1 W6 r

            G74  X(U)  Z(W)  PΔi QΔk RΔd Ff  5 Z$ h3 S% d T: q0 @& z' c0 E

$ R0 C2 W* x7 E* s

指令功能  可以用于断续切削,走刀路线如图7,如把X(U)和P、R值省略,则可用于钻孔加工。

: t f9 Y- L7 z" v: C

4 e. O9 }8 N7 x0 a, v* r' Q- `

! n% x# S0 x8 O/ u, F1 g

图7 端面钻孔复合循环

5 t" E* l8 }5 D" O+ t

指令说明  e表示退刀量; / O" w& j* ^2 B7 C3 J

X表示B点的X坐标值; 7 E$ }. G- i# W9 y( D5 `3 f

U表示由A至B的增量坐标值; ; l. p& X0 W% q- S

Z表示C点的Z坐标值; 3 ^" e8 y. O# J5 L3 e. ~

W表示由A至C的增量坐标值; ) ~6 b( I2 o1 V4 l2 B( N' c }( Z; Y

Δi表示X轴方向移动量,无正负号; $ l2 y4 ^2 a2 \3 s# F

ΔK表示Z轴方向移动量,无正负号; + A4 ?! M0 J8 q0 n6 ^

Δd表示在切削底部刀具退回量; + ~3 j! k7 b. z B& S

: q& k: g, s7 G- E& Y) @# l+ G

F表示进给速度。

$ u; P! W8 ]* r/ k* K* z

5 n! G# `9 d* n" L8 E6 d

例题4 如图8所示,运用端面钻孔复合循环指令编程。

$ ~2 c- u0 l, X' x6 @5 ~1 I/ u+ K

/ q! d/ p6 \$ ~7 F# D5 s, Z+ G

) ^9 s% s. r' l* o- B- F

图8  端面钻孔复合循环应用

: \, c% j4 f* H$ r& l3 d

5 ~0 ?% t" a9 M/ }& i, e

: V* B* v* p7 _4 k) Y! r3 w

7 l7 [9 l. f0 ?4 M* R

8 e G! v) ]4 e9 K k& I

: n/ D \8 n Y$ M- ]* C

- Y- A2 N$ C2 S

; ` e# |6 H4 @7 C" ?7 @5 B/ J9 h

! n6 B: j. Y% N+ O5 t, |- d, T& J2 u

2 L2 a' |1 k1 C8 T

$ c) [ @1 O* z% h

1 n) z; l9 B% Y4 X4 h# x

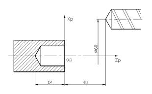
G50 X60 Z40 y# r8 `% }/ J8 m6 m# Z

G00 X0 Z2 $ H; ~/ ^* Z" t1 |- l

G74 R1 . ]: ^: H! S$ _! F: I J

G74 Z-12 Q5 F30 S250 6 u2 @. _# b4 B1 [5 L- b7 `3 o

G00 X60 Z40 7 [/ Q7 e& H5 e2 I, ?! G: E5 N# d

6. 外圆切槽复合循环(G75) + R2 E% O! P3 }

指令格式  G75 Re ! w, P6 `2 z$ y, T3 I6 E" q

     G75 X(U)  Z(W)  PΔi QΔk RΔd Ff                                                      # I4 F+ r1 S b. B' L9 H, R

( X; N- W1 y, ?+ n2 N

指令功能  用于端面断续切削,走刀路线如图9,如把Z(W)和Q、R值省略,则可用于外圆槽的断续切削。

, z$ \3 y7 E% B, F+ [1 y* F) D

7 X# e/ { E8 p9 R8 X. K, ?

图9 外圆切槽复合循环

0 n; {6 g- V* A3 h+ j

0 S, d0 B0 V6 a2 k3 [& p

指令说明  e表示退刀量;

" E7 E l! s P# }" B

X表示C点的X坐标值; 4 H- _0 B6 T/ L" j( S; o

U表示由A点至C点的增量坐标值; 0 B! h9 a/ x; |# U

Z表示B点的Z坐标值; ! H$ [, {* ]% Q: y) z3 L/ g

W表示由A点至B点的增量坐标值; 5 Q' v; X6 U4 B

其它各符号的意义与G74相同。 ; `' ?9 u7 o7 W* X3 U

% W( ^) i4 x: P

+ r7 b0 d( c7 r% J/ o+ E

+ M/ m8 }, U% c" c, p

; w: r$ s5 L7 `% F

+ ~! [! S+ O8 R( F, c9 }- l

3 c1 x8 I& m% z& h9 _1 w

6 G6 P4 A9 i$ u' U) { @; P/ n

* O p* ^7 ~3 v' i1 W+ ~* R3 [

4 w: U P8 B' m0 C2 Q

- Y; D( L0 Z: D

( @2 T3 W0 I6 w6 o; s7 W3 P

0 f# ]' X5 Z+ A N

- p; v2 c% I5 a8 W4 R: J

8 H' F8 _9 C7 a7 @. c' B

应用外圆切槽复合循环指令,如果使用的刀具为切槽刀,该刀具有二个刀尖,设定左刀尖为该刀具的刀位点,在编程之前先要设定刀具的循环起点A和目标点D,如果工件槽宽大于切槽刀的刃宽,则要考虑刀刃轨迹的重叠量,使刀具在Z轴方向位移量Δk小于切槽刀的刃宽,切槽刀的刃宽与刀尖位移量Δk之差为刀刃轨迹的重叠量。 ( i& q" x8 I( v- b& u' v4 k- t

; M9 f/ z, w% R1 V

例题5 所图10所示,运用外圆切槽复合循环指令编程。

6 A+ }6 k& i) s% u0 m( F

% e1 x2 W8 r/ D' Q7 i+ L

$ s+ w' |) A5 S- E

图10 外圆切槽复合循环应用

. K# G0 ~! R g% K4 z

( y2 m" j; z9 J5 h+ q% T9 q( B! T

: ?3 t; A+ q H F0 j W" O' i

4 i+ S7 p. n, X$ @# \3 r G/ Z

* u3 Z/ _0 _0 P+ W6 m. i9 v

( j+ V7 ^( u6 ?5 s" p

3 W" {, O. x6 a, h6 i

9 y; i* ^5 e/ a

7 c- n" R* G7 o. `1 `3 s2 S

9 T) h6 m/ c3 M( {5 f

0 r' o3 l$ V% R9 f+ l& j' X3 ]

G50 X60 Z70 : h2 t8 V) L3 C* z

G00 X42 Z22 S400 : R' V/ ], V2 }0 T0 u6 U

G75 R1 9 y2 `2 S* h2 j/ c

G75 X30 Z10 P3 Q2.9 F30  9 e7 B+ H) w0 O: v' O" V" s

G00 X60 Z70 % G& H7 k; Z" H+ x3 M# t$ O

7. 螺纹切削复合循环(G76) 8 m; W: O4 D+ \! \7 Q y9 a

指令格式  G76  Pm r a QΔdmin Rd / A' ]7 ?& M* L. O! I

G76  X(U)  Z(W) Ri Pk QΔd Ff 4 u% n3 S) S2 D

* r0 c+ k3 h, P4 A/ X

指令功能  该螺纹切削循环的工艺性比较合理,编程效率较高,螺纹切削循环路线及进刀方法如图11。

2 n T: e3 }2 u: L! T

$ q2 T1 Q) y6 L9 |

图11 螺纹切削复合循环路线及进刀法

0 s* f- {& {! B

指令说明  m表示精加工重复次数; 0 |; c0 l- b% h. Y# Z$ v) g

r表示斜向退刀量单位数(0.01~9.9f,以0.1f为一单位,用00~99两位数字指定); & V) c- {3 M+ A* Q

a表示刀尖角度; % F Z+ p- N( V6 l. X2 b/ L

Δd 表示第一次粗切深(半径值); 8 P; |& ~! `% k: z4 m

切削深度递减公式计算  d2 =  Δd; 1 M; z+ j) S. E

       d3 =  Δd; / A# Z$ W4 W6 C6 L/ p

       dn = Δd; $ A! w; n& E9 E! H: u

每次粗切深:Δdn=Δd-Δd; * i+ l) S$ L' M9 B+ p$ s4 o; o

Δdmin表示最小切削深度,当切削深度Δdn小于Δdmin,则取Δdmin作为切削深度; ( t B2 T9 i6 Q

X表示D点的X坐标值; + Z k$ |1 }/ U; ^* H, {+ Y/ B

U表示由A点至D点的增量坐标值; : Y8 V4 u% W: X) k) w, {. \

Z表示D点Z坐标值; / v" {' ^. m. N2 c. }2 p

W表示由C点至D点的增量坐标值; 3 h% p) y6 y4 p* g% k& w

i表示锥螺纹的半径差; / o0 T2 C( V1 _6 G8 R- T

k表示螺纹高度(X方向半径值); 1 @- E- G; P* e; J) d

d表示精加工余量; 1 g" }2 R! ~) Q) P( n

F表示螺纹导程。 6 H# K- }0 ]4 t: M% }

1 b! H& T& B+ Q- x( L! r t7 S1 N

7 A3 `: Y# i$ _# T7 s0 w8 \

; U6 F H* C; Z7 C) j8 M8 M

例题6 如图12所示,运用螺纹切削复合循环指令编程(精加工次数为1次,斜向退刀量为4mm,刀尖为60°,最小切深取0.1mm,精加工余量取0.1mm,螺纹高度为2.4mm,第一次切深取0.7mm,螺距为4mm,螺纹小径为33.8mm)。

- l6 B) x) ?1 U7 W E

6 S3 f7 k" K" y9 T

) X# @4 J; M5 l' p3 q" X" A

图12 螺纹切削复合循环应用

+ \* Q# h1 x! L2 D) ^! ^

9 L& y3 C* g& ~' Y* x" D

: ], n. [: l5 g5 I3 e2 F% y# v& L

2 ], r! M+ R. }( @$ A/ q" k* Q

3 V2 T" ~$ x6 S0 D1 q5 w7 e/ h

) E" l* T( g9 I$ i2 }- a: I! {9 F

8 R( ?$ U' D a4 i. }* D( }

7 I- T9 w, e# T, T

" R$ e' g1 X- j0 |- r7 I

+ ~+ Q. I) \; g2 x9 C' k1 u1 c

! [# c4 p1 b; z

& c V7 m5 k( g8 C5 @$ v

G00 X60 Z10 . y+ t& ]. K6 o( H

G76 P011060 Q0.1 R0.1 3 H: u9 k1 v0 @! `& P$ L& |

G76 X33.8 Z-60 R0 P2.4 Q0.7 F4 ) O5 m6 U& ~2 D
您需要登录后才可以回帖 登录 | 注册会员

本版积分规则

中国磨床技术论坛
论 坛 声 明 郑重声明:本论坛属技术交流,非盈利性论坛。本论坛言论纯属发表者个人意见,与“中国磨削技术论坛”立场无关。 涉及政治言论一律删除,请所有会员注意.论坛资源由会员从网上收集整理所得,版权属于原作者. 论坛所有资源是进行学习和科研测试之用,请在下载后24小时删除, 本站出于学习和科研的目的进行交流和讨论,如有侵犯原作者的版权, 请来信告知,我们将立即做出整改,并给予相应的答复,谢谢合作!

中国磨削网

QQ|Archiver|手机版|小黑屋|磨削技术网 ( 苏ICP备12056899号-1 )

GMT+8, 2025-11-26 22:30 , Processed in 0.167208 second(s), 23 queries .

Powered by Discuz! X3.5

© 2001-2025 Discuz! Team.

快速回复 返回顶部 返回列表