找回密码
 注册会员

QQ登录

只需一步,快速开始

扫一扫,访问微社区

查看: 715|回复: 0

数控车床单一固定循环指令

[复制链接]
发表于 2010-10-22 00:25:13 | 显示全部楼层 |阅读模式

马上注册,结交更多好友,享用更多功能,让你轻松玩转磨削论坛

您需要 登录 才可以下载或查看,没有账号?注册会员

×
当车削加工余量较大,需要多次进刀切削加工时,可采用循环指令编写加工程序,这样可减少程序段的数量,缩短编程时间和提高数控机床工作效率。根据刀具切削加工的循环路线不同,循环指令可分为单一固定循环指令和多重复合循环指令。 ) G8 T/ }/ K% T+ F9 q( K

单一固定循环指令 ) P* r- Y4 i% P, x* P# h

对于加工几何形状简单、刀具走刀路线单一的工件,可采用固定循环指令编程,即只需用一条指令、一个程序段完成刀具的多步动作。固定循环指令中刀具的运动分四步:进刀、切削、退刀与返回。 - Y' j9 I! ?9 Q! T

1. 外圆切削循环指令(G90) ' `' @1 Q, y" O0 ^, W( w/ J

指令格式  G90 X(U)_ Z(W)_  R_  F_ + y! H0 v+ z8 z4 d$ I

+ b# E2 A' b, w4 ?; G% S/ _$ W! q

指令功能  实现外圆切削循环和锥面切削循环,刀具从循环起点按图1与图2所示走刀路线,最后返回到循环起点,图中虚线表示按R快速移动,实线表示按F指定的工件进给速度移动。

9 _7 \- b; ` x, b

+ q, Q- c( s8 a

* f; }! s% X g0 h. i. P/ _

图1 外圆切削循环

: N& S5 B3 J3 ` y# l. a' \

1 C8 V& y+ W& z: |

图2 锥面切削循环

$ K: I4 i$ g! w3 @% o

指令说明  X、Z 表示切削终点坐标值; 9 e8 {8 j3 ?$ u- ?

U、W 表示切削终点相对循环起点的坐标分量; 6 s; Y" B1 Z3 I1 e: f- m

R 表示切削始点与切削终点在X轴方向的坐标增量(半径值),外圆切削循环时R为零,可省略; - T. Z8 d& f1 V& j- O3 Z

9 u# v8 M" F3 e1 w

F表示进给速度。

. P+ U3 L+ P2 R

0 }8 X, Y! x1 D+ e# N

, F/ S: x8 v& y" w6 O- B

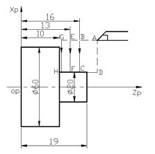
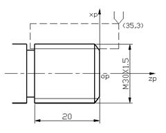
例题1 如图3所示,运用外圆切削循环指令编程。

( z3 H( \) L0 U l3 e

# n$ U+ `! |! w; \' A6 I6 n. M

图3 外圆切削循环应用

9 i! I8 J+ a8 U/ q7 r a

4 @; \3 w: j9 S9 f5 O2 g

, N# ? v4 k$ ^$ \& p; l

) h# v# f9 ^+ W( a4 v

9 n& `) n" W, ?) }( P4 C' y

6 n* `/ G4 f4 b3 v* h" c

" a* h, d* a% Z8 P" z

4 y+ \1 u5 D1 o3 L! ^

# _ C6 j& {# b H" I" H, L0 N

" U0 @6 _: G% }1 D

6 p5 K7 F. m* G" j7 A: Q$ _7 ~+ Z7 i

/ g2 w$ ~; {$ H/ i- p. a% u2 y. P

* t+ B( ?) @5 m$ `0 i; V, N: X* I

G90 X40 Z20 F30          A-B-C-D-A 5 O7 h8 ?) ? @/ @& S4 v3 C" B

     X30         A-E-F-D-A , @0 L, [4 i+ y* V$ E6 Q6 F

     X20         A-G-H-D-A 4 Y+ U+ ]! ~5 t3 I2 W

9 W5 {9 Z" p% b' v5 U- I1 b( B* i

: ~$ J8 j# E# c" R! W7 T

例题2 如图4所示,运用锥面切削循环指令编程。

4 D- R. w- f" a8 z. `

$ W$ y6 F) L- T5 E

图4  锥面切削循环应用

* @2 z$ r& h! E* O! X

7 s1 Q* a5 @& B3 Z6 H4 Q

l1 N5 l0 U1 r$ U* ^

8 q8 p1 z0 z" r

. V' W8 T4 R0 B, _( u( t

& r: X0 I; |) g& x

1 a6 e/ G, J g& T: Q

8 r4 ], k; l# L

" u8 |& r/ M" j: y Z

8 u7 V( ?- Q" F4 A# c

3 p7 ?1 Y2 r- ]; Y; Y

; h4 v/ o9 c7 O8 c+ J2 _# d

G90 X40 Z20 R-5 F30       A-B-C-D-A / X/ _1 S- |. \3 N) s8 p2 j

     X30         A-E-F-D-A 9 w# H; e( [5 G8 o/ S

     X20         A-G-H-D-A / A9 u! w9 t, [) @( F

2. 端面切削循环指令(G94) X; a1 L1 x6 F$ ~* H1 i

指令格式  G94  X(U)_ Z(W)_ R_ F_  & {7 L1 U- K' L, B( F

# f! R) t8 l: f5 R w

指令功能  实现端面切削循环和带锥度的端面切削循环,刀具从循环起点,按图5与图6所示走刀路线,最后返回到循环起点,图中虚线表示按R快速移动,实线按F指定的进给速度移动。

/ B' e! V! W5 L1 I0 t0 I

/ n7 V. D5 k7 e( B- a# X- p# W

0 w i9 f1 l8 c4 U0 k' F

图5 端面切削循环

% M) s/ v" q1 x

; K5 k" d' S) P8 m4 r! i. G

图6  带锥度的端面切削循环

' K- ? y( b" B2 g; k

指令说明  X、Z表示端平面切削终点坐标值; " ?) B, [$ C- D& B% a5 l" Q/ z

U、W表示端面切削终点相对循环起点的坐标分量; ' ?& W0 U; ?8 E0 u

R表示端面切削始点至切削终点位移在Z轴方向的坐标增量,端面切削循环时R为零,可省略; 4 ~3 h0 W0 @( f$ J

0 A1 B* B% e( R8 b& k

F表示进给速度。

. u% M5 b5 L1 Q$ `

/ `' [- K2 l0 k q+ E) d" ]

- z( V! H; T; }' v8 b

, U* e7 @( s6 U! |# ^

2 g+ r/ @% m9 h6 e) _ b

7 h# l) [; C/ U

( I c- f0 `% ~4 D4 X! f. j! \' q! f

% l8 v U) x" t1 i1 W

) p) J8 i; B' U% _2 i1 @

5 C9 F/ w4 @- S4 z* n! ~, ~

8 j+ {; H; J `0 o

5 v5 S! V8 _! j' y! {

# }! g; t# k1 b* g ^! b+ g* k

# U8 w5 | F% k! c

2 d# y8 `! X9 k

N$ g, \- ]' `. U5 q

- z) [" m' ?5 c8 ] f! y

@. u8 @+ E+ k! b* u1 b

( w7 [" }+ O5 ?* D7 F" y. W8 |

9 T7 t; T$ y7 [, u. G6 |

" P4 e' T7 k4 F) U% x

# B$ f/ k( H% k! L U8 t

2 W7 f/ e, g6 k# `0 j

8 m0 s, E; D/ L

! v, h/ t0 q& G- X, N4 ~. \1 x

例题3 如图7所示,运用端面切削循环指令编程。 7 U& y: @0 F# i7 O4 ?/ j" Q" b$ `

) N7 [- ?4 e1 F7 a& [/ |

3 \$ h) s+ R# @( U

图7 端面切削循环应用

, y2 e5 |, b( C

5 P( W8 E9 X; |. P

* b2 @+ D5 e; l# u5 j

2 Q, D, N! w9 c: j, k: w

" W, d* V6 `( I

, E! e: e1 I H$ |* L! N0 x

( H/ `2 E6 F4 O3 `: u. e; J" h

0 }" y7 a* B+ w5 g! c- N* s+ S

3 F! ]: H7 C$ ^4 I8 Q z- \

O* u. O+ o6 I. v# e: c+ A

# G \' u# b8 O

G94 X20 Z16 F30             A-B-C-D-A % ^1 A- B" n! V) i# W8 Z6 q* M

    Z13               A-E-F-D-A   ( W9 H1 X3 e2 G1 t" d/ r( I

    Z10               A-G-H-D-A           , B6 @, } B8 ]0 [

+ k( d, y' `6 k/ {

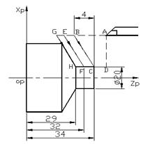
例题4 如图8所示,运用带锥度端面切削循环指令编程。 0 c9 `9 m. q2 N. P6 {7 d& }. Y

7 @8 q7 i: _+ C$ q

 

8 j, D- x& _" A+ z; z

图8  带锥度的端面切削循环应用

: R& u- `; d6 B K2 _

6 @8 V8 d8 {: O1 B; r( Z

/ O* h' _* S. _8 D# Q% I3 h

/ p; E* p" D) }2 B4 d R

5 k& x$ c9 H6 M h, z! `5 B

+ @9 ^6 v8 l# o# V4 |5 H

7 K8 I$ `, Q9 w% N0 e7 w0 Y0 h+ T

! a T$ p7 H, E* M

: I! {, h& J. h7 R% C& S

+ }6 f7 K1 x' ], a

+ B. r# G9 p6 C! ~

G94 X20 Z34 R-4 F30        A-B-C-D-A 9 }6 ]* H3 m: n! W( W' T" u

    Z32                 A-E-F-D-A 2 a. A7 E; r7 Y4 O/ h

    Z29              A-G-H-D-A 8 Q$ j& h/ j5 R$ Z9 Y

3. 螺纹切削循环指令(G92) ^; ]! F) F" ^6 G: p

指令格式  G92 X(U)_ Z(W)_  R_  F_ ( r0 P+ @9 y/ T3 _# O- B. ^

0 w. F, ?3 L4 M* m

指令功能  切削圆柱螺纹和锥螺纹,刀具从循环起点,按图9与图10所示走刀路线,最后返回到循环起点,图中虚线表示按R快速移动,实线按F指定的进给速度移动。

' b2 o; ]: p8 j" o$ C# x" t

1 A; O+ b D; I! l& r+ _

: a" |3 E. E. t+ O

! r- m. T- o+ q( L6 s8 ]. B

图9 切削圆柱螺纹

) O2 J: j# c2 l" V- p

3 U( ^9 V- J y2 ^

图10 切削锥螺纹

0 Y c7 B: l7 O# w( V+ y i

指令说明  X、Z表示螺纹终点坐标值; ; s/ N- {0 ~& q A; `1 G# Q! a8 h

U、W表示螺纹终点相对循环起点的坐标分量; 1 A2 g( I; O$ b

R表示锥螺纹始点与终点在X轴方向的坐标增量(半径值),圆柱螺纹切削循环时R为零,可省略; 5 G. g# N8 z) R, Y3 P( v9 ~) t. L

( M+ r$ Z) e: y3 X

F表示螺纹导程。 

. W9 a* E0 C' h8 k6 N N% ^' _

, t. ~, Z' k, r# O3 c. x; H1 o$ B

* u: A9 Q+ F. m& J2 R' B( E

# |" t8 p( k$ k1 ^8 j8 V3 C

2 n- s* W4 B$ {7 e( p3 w

4 O- c' n# F% R# R

! s% u" O! @* R6 R& N2 d

# G7 Z2 J% n' S x7 B

. G G2 u& m7 m; c- ?% `# F

( g: @- y" ^5 ^3 @: z B- C

) J2 E: j5 v, y4 \5 R4 e

3 I# M" B$ x3 C+ `

例题5 如图11所示,运用圆柱螺纹切削循环指令编程。  

2 f" C# @7 j0 o m ]

5 w1 L) L% \2 N4 B: _

图11 圆柱螺纹切削循环应用

8 ^. N# f: r9 ]& a, q

# Q0 G9 [! W! T% p5 o+ J6 j; n4 O

G50 X100 Z50 8 t/ c/ w* A3 C; ~! W

G97 S300 * M) |' B& A5 H5 u" A) t. M3 K

T0101 M03 2 X H2 a5 n0 N

G00 X35 Z3 + i7 y; O- D* I* V, T

G92 X29.2 Z-21 F1.5 " o0 E( g) A5 @8 O3 c4 J, k/ P6 w4 m6 {

      X28.6 6 ?* s2 g& s, \7 J3 E

     X28.2 . W4 g3 k# r5 f) f8 v8 S7 }0 @

     X28.04 & m! `* y3 N: z+ v7 ?

G00 X100 Z50 T0000 M05 $ t4 \3 N% |" D; V

M02                                                5 E6 S- ~8 o ~; Z2 {. k

+ M+ N" Z' ]' p

3 u" Y6 L! }8 w/ o0 ^+ C6 x0 [

例题6 如图12所示,运用锥螺纹切削循环指令编程。

, F" L4 S2 u1 C

1 z: P& {: t& J$ ~; _

3 C% m8 _1 M/ A+ u, C' O: Z& ^ e9 n

图12 锥螺纹切削循环的应用

- H7 x5 \: Z6 [2 k; S

     G50 X100 Z50 5 x% w5 l5 A5 f& k+ P) p1 L

  G97 S300 % }! ~4 S" q( g1 F4 V

  T0101 M03 / {+ p! E0 n1 X6 D5 B( Z. r

G00 X80 Z2 ; Q: E# g# z+ R9 x9 k/ a U" i

  G92 X49.6 Z-48 R-5 F2 9 |2 m. a1 n l J

     X48.7 $ w1 D3 n1 E" p! [. b

     X48.1 ' S7 j; n2 R, o8 Q

     X47.5 0 }. F1 J; s$ }" B& b1 e6 l

     X47.1 4 j4 t- w, ^2 S# }& L

     X47 . a J" P3 Y0 m6 H+ q! [

  G00 X100 Z50 T0000 M05 - F6 P [3 e, r7 @0 m" H7 W

M02 & z+ O6 l5 h# I
您需要登录后才可以回帖 登录 | 注册会员

本版积分规则

中国磨床技术论坛
论 坛 声 明 郑重声明:本论坛属技术交流,非盈利性论坛。本论坛言论纯属发表者个人意见,与“中国磨削技术论坛”立场无关。 涉及政治言论一律删除,请所有会员注意.论坛资源由会员从网上收集整理所得,版权属于原作者. 论坛所有资源是进行学习和科研测试之用,请在下载后24小时删除, 本站出于学习和科研的目的进行交流和讨论,如有侵犯原作者的版权, 请来信告知,我们将立即做出整改,并给予相应的答复,谢谢合作!

中国磨削网

QQ|Archiver|手机版|小黑屋|磨削技术网 ( 苏ICP备12056899号-1 )

GMT+8, 2025-11-26 22:30 , Processed in 0.147374 second(s), 23 queries .

Powered by Discuz! X3.5

© 2001-2025 Discuz! Team.

快速回复 返回顶部 返回列表