找回密码
 注册会员

QQ登录

只需一步,快速开始

扫一扫,访问微社区

查看: 535|回复: 0

FANUC 车床编程--坐标系

[复制链接]
发表于 2010-10-22 00:33:30 | 显示全部楼层 |阅读模式

马上注册,结交更多好友,享用更多功能,让你轻松玩转磨削论坛

您需要 登录 才可以下载或查看,没有账号?注册会员

×
程序原点5 a) t5 \% g A: l

在程序开始之前必须设定坐标系和程序的原点。通常把程序原点确定为便于编程的点。

6 c! y5 ~: r( R# f

) N9 a5 O# ~. ?, E! r' d

图6.1-1

! q% m5 A7 b2 }

􀂾 设置坐标系原点

- z* ?( ~- r1 p0 @) Z7 f' @

+ w4 B) ?# S& X3 L. {" }

图6.1-2 设置程序原点的例子

& J1 W3 F1 B% V. N0 j0 p5 f

􀂾 坐标原点

# c6 w9 I. I/ c- E$ V! w# E! z

1. 机床坐标系

4 W: J0 k; W' Q; D; p

用机床零点作为原点的坐标系叫做机床坐标系。

0 R# s6 J& p/ K. M- f

2. 绝对坐标系

, d0 s! M5 {% C+ l, C

用来建立工件坐标系,原点以机床坐标系为基准。

% r$ X* T6 e7 _

3. 相对坐标系

: a) P; k: d; i; G! s9 N7 v

相对坐标系是把当前的机床位置当作原点的坐标系。

4 B+ Y/ O+ \" o

4. 剩余移动距离

e0 r. k" t8 I9 s

此功能不属于坐标系,它仅仅显示移动命令发出后目的位置与当前机床位置之间的距离。仅当各个轴的剩余距离都为零时,这个移动命令才完成。

. T. R- h- v4 M6 U# _

m/ }: h0 z( N

图6.1-3

* U- l$ i8 x+ G/ E. p' |

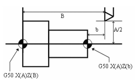
􀂾 设置工件坐标系

: ]$ U% [, x. C: k6 G7 p' a% H

编辑程序首先要确定坐标系,程序原点与刀具起点之间的关系构成工件坐标系;用 G50指令来建立。

3 G+ U8 I9 Q( R) S* S; V: F

3 ~* ` K* T$ N5 J' y' @

图6.1-4

3 t. `6 ?! ^, P

􀂾 绝对/相对坐标系编程

, ]3 A* h! P$ `; A; i

数控车床有两个控制轴,有两种编程方法:绝对坐标命令方法和相对坐标命令方法。此外,这些方法能够被结合在一个指令里。对于X 轴和 Z 轴地址所要求的相对坐标指令是 U和 W。

% @: d% s) M% |2 u

% I0 m/ U6 X" X. P5 S/ X

图6.1-5

2 f/ B) t0 m( E& Y

① 绝对坐标程序---X40.Z5.;

9 C7 E3 w3 X! f" Q; t- Q

② 相对坐标程序---U20.W-40.;

9 o. u- p1 o% \+ t7 P' H- `0 M5 [% ]2 ?

③ 混合坐标程序---X40.W-40.;

+ o* Z y/ T g
您需要登录后才可以回帖 登录 | 注册会员

本版积分规则

中国磨床技术论坛
论 坛 声 明 郑重声明:本论坛属技术交流,非盈利性论坛。本论坛言论纯属发表者个人意见,与“中国磨削技术论坛”立场无关。 涉及政治言论一律删除,请所有会员注意.论坛资源由会员从网上收集整理所得,版权属于原作者. 论坛所有资源是进行学习和科研测试之用,请在下载后24小时删除, 本站出于学习和科研的目的进行交流和讨论,如有侵犯原作者的版权, 请来信告知,我们将立即做出整改,并给予相应的答复,谢谢合作!

中国磨削网

QQ|Archiver|手机版|小黑屋|磨削技术网 ( 苏ICP备12056899号-1 )

GMT+8, 2025-12-4 19:26 , Processed in 0.829268 second(s), 23 queries .

Powered by Discuz! X3.5

© 2001-2025 Discuz! Team.

快速回复 返回顶部 返回列表