找回密码
 注册会员

QQ登录

只需一步,快速开始

扫一扫,访问微社区

查看: 8470|回复: 73

一个常开我罚单的工件加工问题!

   火.. [复制链接]
发表于 2009-7-12 12:16:30 | 显示全部楼层 |阅读模式

马上注册,结交更多好友,享用更多功能,让你轻松玩转磨削论坛

您需要 登录 才可以下载或查看,没有账号?注册会员

×
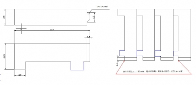
大家请看图纸,我大概画出的,现有此工件100件,要加工尺寸2×0.4×45度,要求0.4和1.6尺寸公差0.005mm之内。为了效率,我100件一起加工,哈。。。但我加工时总会斜,我用的挡块直角都是好的,校表过的,但就算我如何的挡死工件,只要一次下刀超过0.005mm就会斜,偏偏要下0.85mm,慢死了。。。我以前有想过用胶水把100件全粘了加工,那是加工的特爽,可加工后去掉胶水的时间又那么的头疼。。。
+ o# b9 c1 A4 w( o: W! v" L) }& \  各位同仁,能否帮我出点意见,既要保证公差之内又能有效率的方法,或者是设计个夹具什么的。。。谢谢咯~~~ 1工件.bmp
发表于 2018-7-12 21:16:47 | 显示全部楼层
qu去胶水不是有专门的药水么,泡泡就好了啊           
发表于 2023-3-30 22:59:45 | 显示全部楼层
可以在工件相隔开的地方填充石膏,工件在加工中就不动了
发表于 2018-8-1 09:37:44 | 显示全部楼层
立起来修两边斜度3 O( g; i& {8 p( V9 O
发表于 2009-7-12 15:33:17 | 显示全部楼层
可不可以预留工艺台阶呢?
发表于 2009-7-12 15:34:34 | 显示全部楼层
可不可以预留工艺台阶呢?
4 E& {" s; R* T$ T- C6 e或者在上面压一件长的挡块,工件薄有导磁的…
 楼主| 发表于 2009-7-12 16:35:43 | 显示全部楼层
我每次都有在工件上压有导磁的薄片,但还是会斜,很难保证在公差之内。。。1 N4 L$ ~  {. D- ~
你是指在前端留个工艺台阶?但是那一侧要成型一个内R加斜度,不好画我就没画出来。。。
发表于 2009-7-12 18:07:09 | 显示全部楼层
能上全图也好让众多高手一起来研究呀…
发表于 2009-7-12 18:41:04 | 显示全部楼层
留个工艺角就好加工了
发表于 2009-7-12 20:28:46 | 显示全部楼层
你可以先把0.4的斜度切过之后在切那个断差就不会斜了啊!!!!!!!!!!!!!!
发表于 2009-7-12 20:30:42 | 显示全部楼层
你也可以把工件立起来一件一件的切,不过方法有点慢
发表于 2009-7-12 22:00:30 | 显示全部楼层
LZ,我想问一下你那磨床是614,还是618的????
发表于 2009-7-12 23:01:22 | 显示全部楼层
不知 有没有试过 留站脚啊
 楼主| 发表于 2009-7-13 03:17:24 | 显示全部楼层
[quote]LZ,我想问一下你那磨床是614,还是618的????, R% Z2 c% _! F) D5 W! K
我用的是宇青614的~~~哈。。。是不是怀疑我100件放不了一个工作台啊?
 楼主| 发表于 2009-7-13 03:38:46 | 显示全部楼层
我也在考虑留个工艺搭子,不过今晚问过几位师傅,他们都说那样更麻烦,最后还要去搭子,浪费时间。。。  如果立起来磨刀话,那工件受吸力的接触面积不就更少了,也不好挡。。。) ]0 }) T2 S, P  T& Z% v
  我还是决定明天试试留个搭子加工。。。
发表于 2009-7-13 22:38:03 | 显示全部楼层
1# 丫头
2 i6 m$ _" P/ b, r
* S8 P1 a) F* Q' N* e 1工件.JPG % L! z$ `( `# l
留工艺脚( G- H$ j' M2 E3 X1 q
还有一个就是开主体做# ?& }( i/ b, l  |1 m/ |9 [
开斜度方向的主体
 楼主| 发表于 2009-7-14 13:43:58 | 显示全部楼层
我明白了。。。谢谢大家咯。。。
发表于 2009-7-14 14:40:52 | 显示全部楼层
最好是開斜度的主體做
 楼主| 发表于 2009-7-14 15:38:29 | 显示全部楼层
其实那个工艺脚的地方已经成型过一个内R接斜度的,比较不好画,我才没画出。。。
( v0 |) V2 S% X* o 我们的工艺上是要求先加工2件3.05×15.7×100的,还有2.0的台阶,然后成型内R接斜度,接着就是线割切片成2.0厚的100件,最后才能加工0.4的斜度。。。
8 L9 ]! H& n3 h 所以不能先加工0.4的斜度的。。。
您需要登录后才可以回帖 登录 | 注册会员

本版积分规则

中国磨床技术论坛
论 坛 声 明 郑重声明:本论坛属技术交流,非盈利性论坛。本论坛言论纯属发表者个人意见,与“中国磨削技术论坛”立场无关。 涉及政治言论一律删除,请所有会员注意.论坛资源由会员从网上收集整理所得,版权属于原作者. 论坛所有资源是进行学习和科研测试之用,请在下载后24小时删除, 本站出于学习和科研的目的进行交流和讨论,如有侵犯原作者的版权, 请来信告知,我们将立即做出整改,并给予相应的答复,谢谢合作!

中国磨削网

QQ|Archiver|手机版|小黑屋|磨削技术网 ( 苏ICP备12056899号-1 )

GMT+8, 2026-1-31 22:19 , Processed in 0.141482 second(s), 28 queries .

Powered by Discuz! X3.5

© 2001-2025 Discuz! Team.

快速回复 返回顶部 返回列表