找回密码
 注册会员

QQ登录

只需一步,快速开始

扫一扫,访问微社区

查看: 3020|回复: 7

[资讯] 采购砂轮

[复制链接]
发表于 2015-4-5 21:26:33 | 显示全部楼层 |阅读模式

马上注册,结交更多好友,享用更多功能,让你轻松玩转磨削论坛

您需要 登录 才可以下载或查看,没有账号?注册会员

×
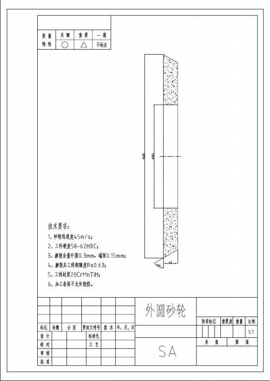
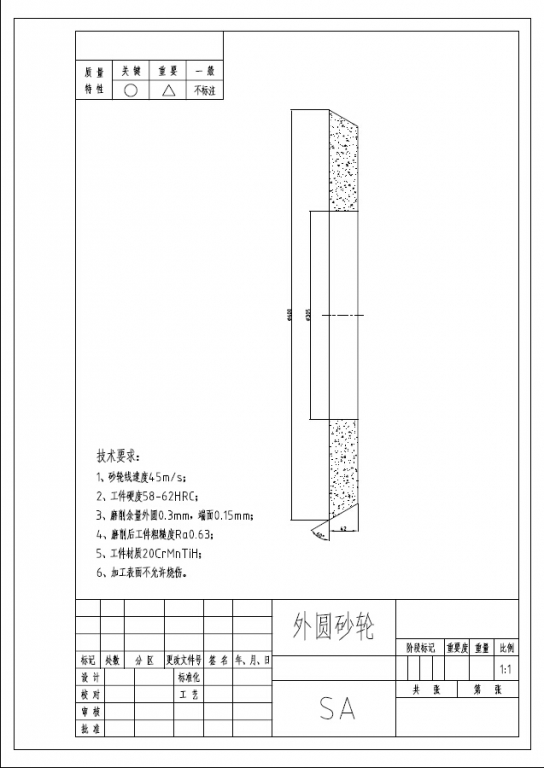
外圆砂轮2件:7 X( o1 g* s" z$ }. n% I8 f
砂轮规格:600*42*305 SA80-LV  优先选用圣戈班砂轮,详情见附件% y  i% T4 f/ R& M; {
# O# H$ [/ o  \' F2 z
" U* r1 E$ P0 T( ]3 U( j# b8 k
QQ截图20150405212318.jpg

3 H' b0 W: \  k5 }0 N
内孔砂轮15件:

4 V/ Q1 j! p, Q6 r2 G
QQ截图20150405212256.jpg

* T( {$ K, t+ F7 A
如有其它问题请及时沟通联系,dingqi@icvt.com 联系电话:073188337956
, [9 g; ~1 B, o8 e2 R3 m  \( Y
内孔砂轮 .pdf (19.82 KB, 下载次数: 7) 外圆砂轮 Model (1).pdf (23.26 KB, 下载次数: 12)

' F* U4 h: f2 U  V+ O5 J/ K2 k5 L3 ?
 楼主| 发表于 2015-4-6 12:00:52 | 显示全部楼层
顶起来,难得没有人做吗?
发表于 2015-4-6 20:20:03 | 显示全部楼层
你这个是加工齿轮钢的,可以做的,没有问题,质量可以达到圣戈班的品质! v* V8 c% i% Z8 `) C. I
 楼主| 发表于 2015-4-6 22:25:40 | 显示全部楼层
精密磨削 发表于 2015-4-6 20:20# D6 y" H9 Y2 T! N- ^
你这个是加工齿轮钢的,可以做的,没有问题,质量可以达到圣戈班的品质

4 V. [  X: `/ b) i& E2 L汽车自动变速箱上面的传动轴用的
发表于 2016-5-5 11:02:22 | 显示全部楼层
SA SG的这两种材质的砂轮我们有做的,质量与进口差不多 。q478923400
% V6 p" d/ D8 n8 B5 Z4 n
发表于 2016-7-20 17:06:58 | 显示全部楼层
弊司有从圣戈班做技术出来的,专业解决各种砂轮,磨削问题,需要的话可联系qq775104208
发表于 2016-8-9 17:27:22 | 显示全部楼层
本公司代理克利斯顿砂轮,金刚石砂轮、陶瓷砂轮、树脂砂轮等磨料磨具产品,联系电话:18918219882]
发表于 2022-5-30 22:07:41 来自手机 | 显示全部楼层
砂轮的水很深
来自: 微社区
您需要登录后才可以回帖 登录 | 注册会员

本版积分规则

中国磨床技术论坛
论 坛 声 明 郑重声明:本论坛属技术交流,非盈利性论坛。本论坛言论纯属发表者个人意见,与“中国磨削技术论坛”立场无关。 涉及政治言论一律删除,请所有会员注意.论坛资源由会员从网上收集整理所得,版权属于原作者. 论坛所有资源是进行学习和科研测试之用,请在下载后24小时删除, 本站出于学习和科研的目的进行交流和讨论,如有侵犯原作者的版权, 请来信告知,我们将立即做出整改,并给予相应的答复,谢谢合作!

中国磨削网

QQ|Archiver|手机版|小黑屋|磨削技术网 ( 苏ICP备12056899号-1 )

GMT+8, 2025-10-3 07:31 , Processed in 0.205207 second(s), 26 queries .

Powered by Discuz! X3.5

© 2001-2025 Discuz! Team.

快速回复 返回顶部 返回列表