找回密码
 注册会员

QQ登录

只需一步,快速开始

扫一扫,访问微社区

查看: 356|回复: 5

求助:磨外径的问题。

[复制链接]
发表于 2016-1-24 16:09:19 | 显示全部楼层 |阅读模式

马上注册,结交更多好友,享用更多功能,让你轻松玩转磨削论坛

您需要 登录 才可以下载或查看,没有账号?注册会员

×
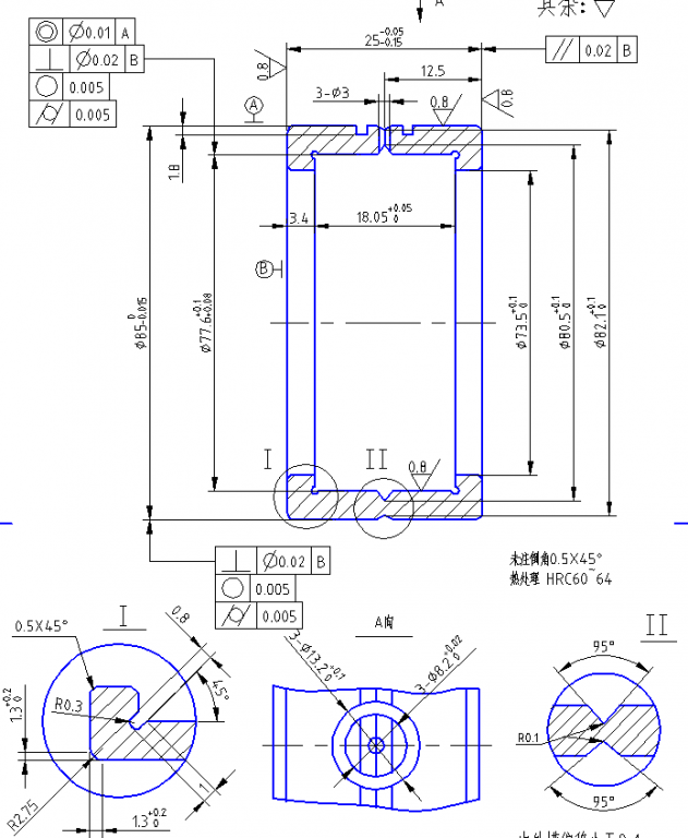
如图,这个外圈上有三个圆环槽,用无心磨磨外径,三个槽处有很大的跳动,用万能磨磨外径,外径轮廓差不多变成波浪形了,用什么方法才能磨好。
1 W9 U& p4 N" R) U- \' W6 l' _ R2~LAU7TMM}[1PA`MTJMM)F.png
% S& O8 T9 p/ s7 E; j

点评

这样的零件都解决不了,什么厂子??  发表于 2016-1-25 22:58
发表于 2016-1-26 10:29:59 | 显示全部楼层
切入磨试试) ^0 c( S  E! |( {1 K; v
发表于 2016-2-1 14:39:34 | 显示全部楼层
换一个无心磨师傅吧
% P. M& S) N, M. g  W9 L
                               
登录/注册后可看大图

5 p, O- \1 x- C7 R
发表于 2016-2-28 19:35:37 | 显示全部楼层
有没搞错?你什么机床啊?这个貌似没啥难度啊!
发表于 2016-3-9 09:40:07 | 显示全部楼层
没看出有什么难加工的点。  C5 g: i. @5 |6 R2 O- `
您需要登录后才可以回帖 登录 | 注册会员

本版积分规则

中国磨床技术论坛
论 坛 声 明 郑重声明:本论坛属技术交流,非盈利性论坛。本论坛言论纯属发表者个人意见,与“中国磨削技术论坛”立场无关。 涉及政治言论一律删除,请所有会员注意.论坛资源由会员从网上收集整理所得,版权属于原作者. 论坛所有资源是进行学习和科研测试之用,请在下载后24小时删除, 本站出于学习和科研的目的进行交流和讨论,如有侵犯原作者的版权, 请来信告知,我们将立即做出整改,并给予相应的答复,谢谢合作!

中国磨削网

QQ|Archiver|手机版|小黑屋|磨削技术网 ( 苏ICP备12056899号-1 )

GMT+8, 2025-12-4 11:39 , Processed in 0.207729 second(s), 31 queries .

Powered by Discuz! X3.5

© 2001-2025 Discuz! Team.

快速回复 返回顶部 返回列表