找回密码
 注册会员

QQ登录

只需一步,快速开始

扫一扫,访问微社区

查看: 2002|回复: 9

[求助] 请大家推荐一台双端面磨床

[复制链接]
发表于 2010-9-27 13:05:55 | 显示全部楼层 |阅读模式

马上注册,结交更多好友,享用更多功能,让你轻松玩转磨削论坛

您需要 登录 才可以下载或查看,没有账号?注册会员

×
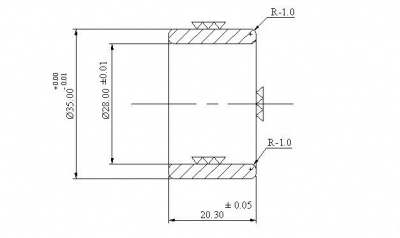
请大家推荐一台双端面磨床做这个产品!重谢!
端面.jpg
发表于 2010-9-27 17:16:40 | 显示全部楼层
上海精密机床厂
发表于 2010-9-28 10:18:41 | 显示全部楼层
回复 1# huang1999 , z& e, K' E  h7 N3 J5 I  F
4 ^2 `- E* y, ]( Y. g: ]4 p
( s5 p2 c0 J5 r5 [/ ~& Y: o2 ^' B0 u2 U* G
    杭州机床厂有专门的双端面机床生产,可以进行试磨,0571——28815851
发表于 2010-9-28 13:06:48 | 显示全部楼层
M7650可以磨,M7660也可以磨;如果平行差要求不是很高的话,建议用圆台磨M7475B磨,这样可以保证垂直差。
 楼主| 发表于 2010-9-28 14:16:22 | 显示全部楼层
回复 3# liumanghaohaizi # ]% l* [9 g4 }1 f& s

8 y# G  o$ f% c* G4 Y& v- r谢谢  ,不知道这台床子大概价位几何?
 楼主| 发表于 2010-9-28 15:22:38 | 显示全部楼层
回复 4# 有心做无心磨 % x( Y) H* _3 ~8 z( }
) W  n! |7 d+ I( b7 ^% c
2 r( d' Z: }+ v4 P( S+ {
    这个东西是钢件,大家给的意见我在考虑,现在普通的m7650就要16万多,数控的要20几万,都得订货,哪位朋友知道有现货的或是交货期短的厂家麻烦联系我,13776649975

点评

现在还需要吗?我厂就有现货,TEL:13513799081  详情 回复 发表于 2012-12-25 10:06
发表于 2012-5-13 09:21:27 | 显示全部楼层
可以给我联系QQ24454324电话132522820384 F4 N# j" _& g$ e! _3 S$ k
发表于 2012-12-18 16:27:44 | 显示全部楼层
现货出售6 G7 z# L/ ^$ @6 M# H/ r
立轴双端面磨床, Y! k- P7 |( F; n$ y* A% g
型号:MY7760
. t# E0 x$ l7 b规格:砂轮直径600mm
& U/ R( _) s% _; K6 Z      工件最大直径 φ135mm
, @! h) L4 R/ a9 M. z) _      工件最小厚度 3mm& B% s' r/ X4 M8 v
制造商:上海机床厂+ R0 r1 y( N+ j3 I
年代:2005年4月
+ P7 F8 C% y4 o2 ~状况:试机未用,附件资料齐全
, y; M+ u- ~0 r货在巩义仓库# o+ z' V% U, |" n" P
质量保证,欢迎咨询洽谈。6 o3 _, d4 e! w
3 m' l$ j8 E( n' F9 X# D
13523529562刘先生
发表于 2012-12-18 18:51:09 | 显示全部楼层
M7650山东乳山的做的不错!中泰机械14万就能搞定!
发表于 2012-12-25 10:06:25 | 显示全部楼层
您需要登录后才可以回帖 登录 | 注册会员

本版积分规则

中国磨床技术论坛
论 坛 声 明 郑重声明:本论坛属技术交流,非盈利性论坛。本论坛言论纯属发表者个人意见,与“中国磨削技术论坛”立场无关。 涉及政治言论一律删除,请所有会员注意.论坛资源由会员从网上收集整理所得,版权属于原作者. 论坛所有资源是进行学习和科研测试之用,请在下载后24小时删除, 本站出于学习和科研的目的进行交流和讨论,如有侵犯原作者的版权, 请来信告知,我们将立即做出整改,并给予相应的答复,谢谢合作!

中国磨削网

QQ|Archiver|手机版|小黑屋|磨削技术网 ( 苏ICP备12056899号-1 )

GMT+8, 2026-3-28 09:36 , Processed in 0.250597 second(s), 30 queries .

Powered by Discuz! X3.5

© 2001-2025 Discuz! Team.

快速回复 返回顶部 返回列表