找回密码
 注册会员

QQ登录

只需一步,快速开始

扫一扫,访问微社区

查看: 600|回复: 0

经济型数控车床钻孔工艺改进

[复制链接]
发表于 2010-10-22 00:31:46 | 显示全部楼层 |阅读模式

马上注册,结交更多好友,享用更多功能,让你轻松玩转磨削论坛

您需要 登录 才可以下载或查看,没有账号?注册会员

×
2 l+ Z: y. m1 L5 h1 p, u" Q" g) L: ?5 L9 M" ]& q; T# s+ Q1 I# j: T# z
- e5 x7 ?# S- f

1 引言

数控车床是按照输人的零件加工程序运行工作的。零件的加工程序中,包括刀具和工件的相对运动轨迹、主轴的启停、主轴转数、吃刀深度、走刀量、刀具的自动更换以及冷却液的开关等,功能十分强大。但在CK6140-I经济型数控车床上钻孔,仍然是在车床尾座上安装钻头,通过转动尾座手轮进行钻孔的。因尾座没有自动进给功能,所以操作者劳动强度大,生产效率低,而且钻孔深度不易控制,在批量生产中尤为突出。

现拟将钻头安装在刀台上,利用刀台的自动转位和自动进给的功能完成钻孔。

2 钻头在刀台上的安装

CK6140- f经济型数控车床的刀台是4把刀具容量的自动转位刀台。刀具在刀台上的安装与普通车床上的相同,也是通过螺幻将刀杆压紧在刀台上进行安装。

为了安装钻头,先制作一个钻夹座,如图1所示。钻夹座通过螺钉被压紧安装在刀台上,然后将钻夹头装在钻夹座的锥孔内,最后将钻头夹紧在钻夹头内即可。

* R" m, x* [* x* O

8 `% X( N0 Q- V

图1 钻夹座

. w% }& M/ y+ X" G) p3 I

钻夹座的A、B面为定位安装面。A面距锥孔中心线尺寸为25mm,是刀台安装面到车床主轴中心线的中心高,同时保证锥孔中心线与A面的平行度为0.02mm(主要控制钻头安装后钻头轴线与车床主轴轴线在竖直面内的平行度);锥孔中心线与B面平行度为0.02mm(主要控制钻头安装后钻头轴线与车床主轴轴线在水平面内的平行度)。钻头在刀台上安装后,钻头与车床主轴在水平面内的位置由车床的自动对刀保证。5号莫氏锥孔与钻夹头的锥度相同。

3 自动钻孔的应用

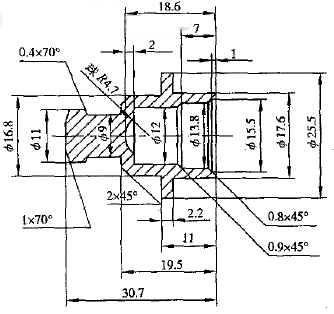
如图2所示为依锥柯汽车真空助力器中的柱塞,原钻孔工序为:

( a* X# G( w& \5 w0 m5 Z$ R

! w6 A* ~% ~/ c4 K2 C- U

图2 柱塞

( } e, M$ z* W

工序1:棒料夹于车床主轴卡盘上;车削零件左端全部尺寸达要求;切断,保证长度30.7mm,留余量0.3mm。

工序2:工件调头以f25.5mm台肩左端面定位夹于车床主轴卡盘上;车右端面保证长度30.7mm。

工序3:手动钻孔f9.4mm,深为16.6 mm(钻头端部磨成f9.4 mm的球面)。

工序4:仍以f25.5 mm台肩左端面定位;用内孔车刀键内孔全部尺寸达要求;换外圆车刀车削f17.6 mm直径达要求。
为了批量生产,需要对工件进行批量手动钻孔,然后进行工序4,这就增加了工件装夹次数,降低了生产效率且加工精度难以保证。

工艺改进后工序

工序1:与原工序1相同。

工序2:定位与改进前相同。用外圆车刀车右端面长度尺寸;同一把车刀车f17.6 mm直径;换钻头钻f9.4mm孔,深16.6 mm;换内孔车刀幢内孔全部尺寸。

从改进前、后的工序安排可见,将工件原来的2、3、4道工序合为一道工序,减少了一次工件的装夹工作。原来2、3、4三道工序用时4min,合为一道工序后用时2.5min,节约了1.5min,而且钻孔的深度尺寸一致,质量稳定。

4 结束语

通过工艺改进大大提高了劳动生产率,充分发挥了数控车床自动加工的优势,不但可完成钻孔的自动加工,而且可通过更换刀具在车床上完成不同直径的钻孔、扩孔、铰孔的自动加工,不用时可将钻夹座从刀台上取下,不影响其它刀具的安装,在经济型数控车床上完成了标准型数控车床的工作。

5 m+ o E$ V n
您需要登录后才可以回帖 登录 | 注册会员

本版积分规则

中国磨床技术论坛
论 坛 声 明 郑重声明:本论坛属技术交流,非盈利性论坛。本论坛言论纯属发表者个人意见,与“中国磨削技术论坛”立场无关。 涉及政治言论一律删除,请所有会员注意.论坛资源由会员从网上收集整理所得,版权属于原作者. 论坛所有资源是进行学习和科研测试之用,请在下载后24小时删除, 本站出于学习和科研的目的进行交流和讨论,如有侵犯原作者的版权, 请来信告知,我们将立即做出整改,并给予相应的答复,谢谢合作!

中国磨削网

QQ|Archiver|手机版|小黑屋|磨削技术网 ( 苏ICP备12056899号-1 )

GMT+8, 2025-11-26 22:35 , Processed in 0.133122 second(s), 23 queries .

Powered by Discuz! X3.5

© 2001-2025 Discuz! Team.

快速回复 返回顶部 返回列表